NKC der NDR Klein Compter

PC Tastatur am NKC


Hier die Software für den Atmel 2313.hex

Quellcode der Atmelsoftware

Neuauflage der KEY

Es müssen beim Tiny 2313 die Fusebits wie folgt eingestellt werden!!!





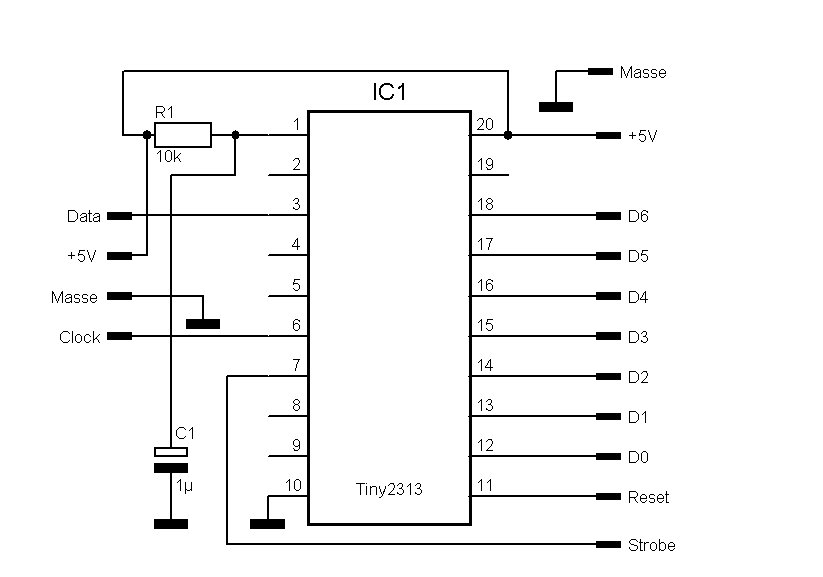
Diese Schaltung ermöglicht es eine PC Tastatur am NKC anzuschliessen. Diese Schaltung basiert auf einem Atmel 2313, welcher nicht mehr hergestellt wird. Der Nachfolgetyp Tiny 2313 funktioniert aber genauso gut, hat den Vorteil, das man den Quarz einspart.Wie man sieht kann der Atmel auf der Key mit aufgebaut werden Es ist aber auch ein Aufbau einer externen Platine möglich
Einige Sonderfunktionen sind mit eingebaut: So ist eine Tastaturkombination für den Reset implementiert.
Alt F4 = ^KX = Ende Editor
^Pos = ^QR = Datei Anfang
^Ende = ^QC = Datei Ende
Alt S Alt F3 = ^QF = Suchen
Alt W F3 = ^QA = Ersetzen
Alt Pos = ^QB ^KB = Blockanfang
Alt Ende = ^QK ^KK = Blockanfang
Alt H = ^QH ^KH = Blockmarken löschen
Alt C = ^KC = Block Kopieren
Alt V = ^KV = Block verschieben
Alt Y = (^KY) = Block löschen
Alt B = ^KS = Block auf Diskette schreiben
Alt L = ^KL = Block von Diskette laden
Alt T = ^KT = Text auf Diskette schreiben
Alt I = ^KI = Dir Diskette
Alt R = ^KR = Lesen
Alt F = ^KW = Schreiben
F2 Alt A = ^KA = Assembler
Strg ESC = Hardware Reset














© 2017 (C) | Design by homepage-vorlagen-webdesign.de